猫都论坛-猫都论坛官方最新私密精品全集
无障碍
适老版
繁體版
智能问答
个人中心
主页
组织架构
厅领导
职能职责
内设机构
直属单位
地方水利
猫都论坛公开
公开指南
公开制度
公开年报
法定主动公开
依申请公开
水利资讯
猫都论坛要闻
综合资讯
地方水事
媒体聚焦
视频展播
猫都论坛公告
基层水利风采
水资源服务
数据服务
办事服务
互动交流
厅长信箱
在线访谈
回应关切
网上调查
意见征集
智能问答
知识库
专题专栏
办事统计数据:2023年2月行政审批办件量77件
主页
>
水利资讯
>
猫都论坛公告
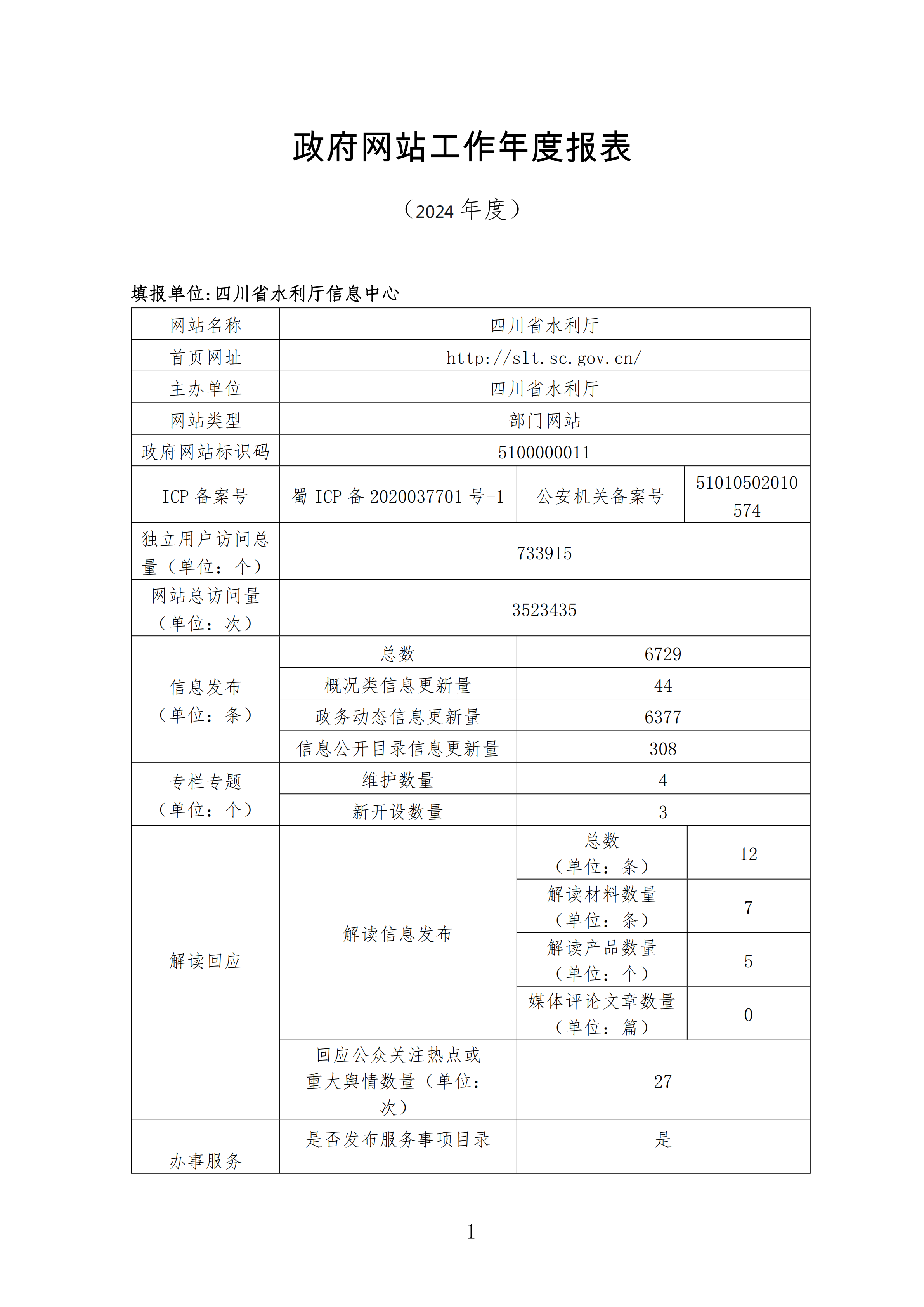
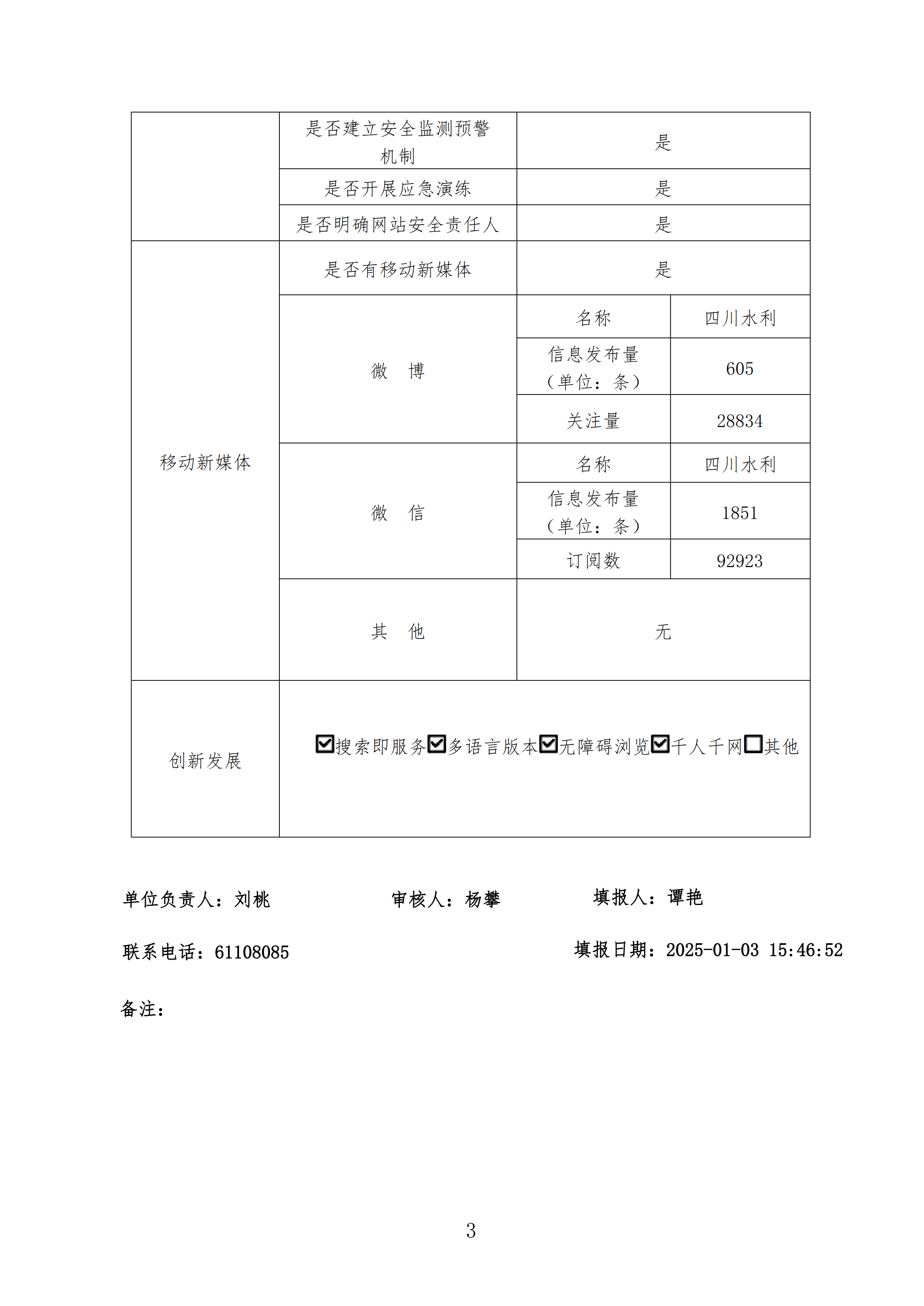
猫都论坛 门户网站2024年度政府网站工作年度报表
来源:信息中心
时间:2025年01月03日 16:42
相关附件>>
相关链接>>
中国政府网
四川省人民政府
水利部
中国水利网
厅直属单位
四川省农村水利网
四川省水文水资源勘测中心 (省量水设施设备计量检测中心)
四川省都江堰水利发展中心
四川水利职业技术学院
四川省水利发展集团有限公司
四川省玉溪河灌区运管中心
四川省长葫灌区运管中心
四川武都引水工程网站
四川省升钟水利工程运管中心
市(州)水利(水务)局
成都市水务局
自贡市水务局
攀枝花市水利局
泸州市水务局
德阳市水利局
绵阳市水利局
广元市水利局
遂宁市水利局
内江市水利局
乐山市水务局
南充市水务局
宜宾市水利局
广安市水务局
达州市水务局
巴中市水利局
雅安市水利局
眉山市水利局
资阳市水务局
阿坝州水务局
甘孜州水利局
凉山州水利局
主办:猫都论坛-猫都论坛官方最新私密精品全集
承办:猫都论坛 信息中心
地址:成都市青华路20号
邮编:610072
备案/许可证号:蜀ICP备2020037701号-1
值班电话:(汛期)028-86934999(24小时) (非汛期) 028-86935267(24小时)
网站标识码:5100000011
川公网安备:51010502010574
网站地图